AMP3-Produktparameter:    
  Leistung: 0,18 kW, PS: 0,25 PS, Drehmoment: 1,7 Nm, Leerlaufdrehzahl: 1000 U/min, Gasverbrauch: 260 l/min, Gewicht: 2,7–3,8 kg (verschiedene Installationsmethoden, unterschiedliche Gewichte), vier Installationsmethoden stehen zur Verfügung: einfach, vertikal, horizontal, Flansch, optionales manuelles Steuerventil, Bremse, Untersetzungsgetriebe, Controller. 
     Standardfunktionen:    
  Das Produkt nutzt Druckluft als Energiequelle für Sicherheit und Explosionsschutz, verfügt über ein Explosionsschutzzertifikat und erfüllt nationale Sicherheitsstandards. Hohes Drehmoment, geringer Gasverbrauch, brennt nicht durch Überlastung, Geschwindigkeit stufenlose Einstellung, Starten, Einstellen, Stoppen durch Umschalten des Steuerventils, kann die Richtung sofort umkehren. Der Motor ist so konzipiert, dass er als Ganzes gekapselt ist und in staubigen, feuchten und rauen Umgebungen eingesetzt werden kann. Weit verbreitet in der chemischen Industrie, Halbleiter-, Kristall-, Petrochemie-, biochemischen Technologie-, Farbenfabriken, automatisierten Maschinen und anderen Branchen. 
     Arbeitsumgebung:    
  Flüssigkeit: Druckluft  
  Druck: 5 kg/cm     2    (70 psi)  
  Maximaler Arbeitsdruck: 6 kg/cm     2    (85 psi)  
  Umgebungstemperatur: -10°C~ 70°C (nur im frostfreien Zustand verwendbar)  
  Schmieröl: IS0VG32 oder ähnlich. (Es ist notwendig, Öl mit einem Ölnebel hinzuzufügen, 2–3 Tropfen pro Minute).  
  Dauerbetrieb: Ja (kein Dauerbetrieb ohne Last möglich).  
  Empfohlene Geschwindigkeit: (0,3~1) x maximale Ausgangsgeschwindigkeit. 
Detaillierte Parameter
| Modell | Übersetzungsverhältnis | Maximale Leistung | Stillstandsdrehmoment | Gewicht (kg) | |||||||||
| Leistung | Drehmoment | Nenngeschwindigkeit | Luftverbrauch | Basic | Vertikal | Horizontal | |||||||
| PS | KW | N.m | Ibf. ft | R.P. Mmin | L/Min | CFM | N.m | Ibf. ft | KG | KG | KG | ||
| AMP3 | 0.25 | 0.18 | 1.7 | 1.3 | 1000 | 260 | 9.2 | 2.3 | 1.7 | 2.7 | 3.2 | 3.8 | |
| G1/3 | 4.7 | 3.47 | 330 | 7.8 | 5.8 | " | 9.6 | 9.8 | |||||
| G1/5 | 7.9 | 5.8 | 200 | 12.8 | 9.4 | ||||||||
| G1/10 | 15.9 | 11.7 | 100 | 26 | 19.2 | ||||||||
| G1/15 | 23.6 | 17.4 | 66 | 38.5 | 28.4 | " | 12.2 | 12.4 | |||||
| G1/20 | 31.5 | 23.2 | 50 | 51.5 | 38 | ||||||||
| G1/30 | 46.8 | 34.5 | 33 | 76.4 | 56.4 | ||||||||
| G1/40 | 62.3 | 46 | 25 | 101.5 | 74.9 | ||||||||
| G1/50 | 77.3 | 57 | 20 | 125.3 | 92.5 | ||||||||
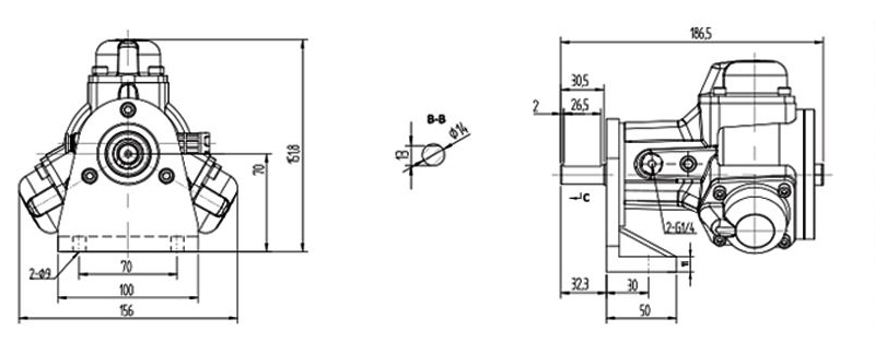
Schematische Draufsicht:
           |                |    
| AMP3-T (Basistyp) | AMP3-F (vertikal) | 
           |                |    
| AMP3-L (horizontal) | AMP3-IEC (Flanschtyp) | 
Produktaufschlüsselungsdiagramm:
  
 
| NEIN. | Name | Menge | NEIN. | Name | Menge | NEIN. | Name | Menge | 
| 1 | Gehäuse | 1 | 12 | Karosseriedichtung | 2 | 23 | Entlüftungsschraube | 1 | 
| 2 | Verteilerventil | 1 | 13 | Dichtung | 3 | 24 | Die Motorabdeckung | 1 | 
| 3 | Antriebsseitiges Lager | 1 | 14 | Suchen Sie die Dichtung | 2 | 25 | Kurbelwellenschraube | 1 | 
| 4 | Die Spindel | 1 | 15 | Rollenlager | 2 | 26 | Trachealplug | 1 | 
| 5 | Halbsiegel | 1 | 16 | Innensechskantschraube | 12 | 27 | Stecker | 2 | 
| 6 | Lochkartenfeder | 1 | 17 | Zylinderlaufbuchse | 3 | 28 | Schalldämpfer | 1 | 
| 7 | Antriebsseitiges Lager | 1 | 18 | O-Ringe | 3 | 29 | Quadratischer Flansch | 1 | 
| 8 | Sicherungsring | 1 | 19 | Zylinderkopf | 3 | 30 | Horizontale Platte | 1 | 
| 9 | Kolben | 3 | 20 | O-Ringe | 3 | 31 | Runder Flansch | 1 | 
| 10 | Pleuelstange | 3 | 21 | Federscheibe | 12 | |||
| 11 | Stoppstift | 3 | 22 | O-Ringe | 1 | 

In modernen industriellen Produktionssystemen bestimmt die Leistung von Stromeinheiten direkt die Effizienz und Stabilität von Produktionsprozessen. Als Antriebsgerät mit Druckluft als Kernleiste, ...
Mehr anzeigenIn der modernen Branche wirkt sich die Auswahl der Stromübertragungsgeräte direkt auf die Produktionseffizienz und die operative Stabilität aus. Als Antriebsgerät, das mit Druckluft betrieben wird,...
Mehr anzeigenIn der Riesinen -Arena der Modernen IndustieProduktion ist Hebensausrustung ein Unverzichtbarer "HIRTER DEN KULISSEN", der Reibungslosen Brüleb Versschadener ProdukionProzesse Stillschweigend. Daru...
Mehr anzeigenIn Verbindung bleiben